泥河湾盆地地处黄土高原东北部边缘、蒙古高原向华北平原过渡带,是早期人类扩散至东北亚最早且最集中证据所在地,以密集分布百万年前古人类活动遗址为国际学术界广泛关注,被誉为“东方的奥杜威峡谷”。然而,不同时期古人类生存年代序列、技术与行为以及对环境的适应等学术问题尚有待进一步揭示。
近年来,裴树文研究团队在该区域进行了多年的调查、发掘和研究工作,其中麻地沟遗址群埋藏于泥河湾古湖滨相砂、粉砂和黏土层内,2011-2014年的系统发掘共揭露5个探方,面积超过200平方米,获取3000余件古人类活动留下的石制品和动物化石,是揭示和完善泥河湾盆地早期人类活动年代序列和古人类适应行为的难得材料。
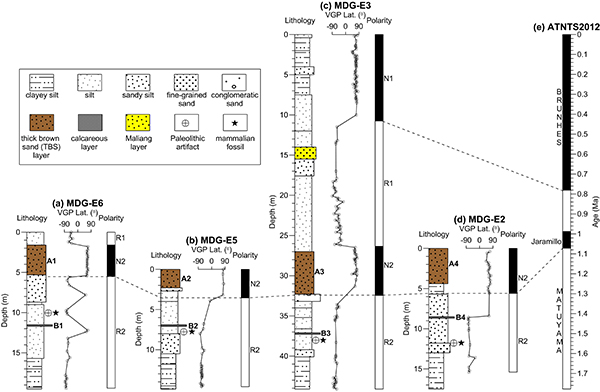
据负责古地磁年代测定的中国科学院地质与地球物理研究所邓成龙研究员介绍,麻地沟遗址群所在的泥河湾层厚度超过40米,我们在泥河湾盆地麻地沟遗址群内系统采集多个探方的古地磁测年样品,在实验室进行反复测试和验证。分析结果表明,麻地沟所在的泥河湾层剖面记录了Matuyama负极性时晚期至Brunhes正极性时早期的沉积,古人类活动的层位处在Jaramillo正极性亚时之前,距今约120万年。
对于麻地沟遗址出土的石制品组合,作者采用西方技术类型学体系,对原料利用、石制品类型及个体大小、剥片模式以及修理策略等相关指标进行统计分析。结果表明,古人类对以砾石为原型的硅质白云岩原料多采取砸击法的剥片策略,而针对以岩块为原型的燧石则以锤击法为打片方法,显示出多样化的适应策略。石器组合的多项指标显示,麻地沟早期人类石器技术属于相对简单的mode1技术传统(石核-石片工业体系),但在优质原料获取和精致加工、针对不同原料采取多样化的石器技术方面显示出早期人类复杂化的适应策略。麻地沟遗址出土的动物群和相关环境指标分析表明,早期人类生活在以稀树草原至荒漠草原为主的相对开放的泥河湾古湖滨环境。
早期人类在麻地沟遗址群活动的年代发生在1.2~0.7Ma的中更新世气候转型期(Mid-Pleistocene Climate Transition, MPT)的初始阶段。在地球气候系统内、外部多个因素共同作用下,该时期的气候特点由地球轨道参数变动引起太阳辐射变化,冰期-间冰期气候旋回由4.1万年周期为主转变为10万年周期为主,冰盖消长、海温变化放大了冰期-间冰期的气候变率,古人类如何应对这种多变的气候环境一直是学术界关注的话题。作者对盆地内目前发现和报道的多处百万年前早期人类活动遗址进行了梳理,重点对不同遗址环境信息和石器技术演化序列进行比较。分析结果表明,虽然早期人类在上百万年的时间内大都采用相对简单的模式1技术,但是在距今1.2至0.7Ma时期,遗址数量明显增多,多个遗址的环境指标存在较大差异,与气候转型期的气候特点相吻合;早期人类在原料选择、剥片策略、精致加工等多方面显示了多样化的策略,是古人类针对当地资源和气候波动背景下而采取的积极应对方略。
本项研究表明,泥河湾盆地不仅是揭示东亚早更新世人类演化与技术行为的理想区域,同时为进一步探讨早期人类对麻地沟及相关遗址的不同地貌景观的适应策略打下了坚实的基础。
该项研究得到了中科院战略性先导科技专项(B类)和国家自然科学基金等项目的资助。
原文链接:https://www.sciencedirect.com/science/article/pii/S0031018218311040?dgcid=author

图1 麻地沟遗址地理位置及不同探方分布特点(裴树文供图)

图2 麻地沟遗址不同探方地层序列与经典古地磁极性事件的对应关系(邓成龙、裴树文供图)

图3 麻地沟遗址出土部分石制品 (裴树文供图)

图4 麻地沟及泥河湾盆地相关遗址古人类生存序列与环境关系(邓成龙供图)
